当前位置:首页 > 公司新闻 >

三相异步电动机(小功率三相交流异步电动机改单相运行)

发布日期:2021-03-07 04:00 作品声明:内容由AI生成
分享新闻:

如前所述,三相异步电动机具有结构简单,生产成本低,使用维护方便的优点,因此其应用非常普遍。小容量三相异步电动机也可以在某些或特殊情况下使用,例如当没有三相电源(仅单相电源)或暂时不使用单相电动机时。连接到单相电源以进行操作,然后更改为单相电动机。三相异步电动机的单相运行有几种方法,而电容低功率法是比低功率(750W以下)电动机更简单的方法。

1. Y连接

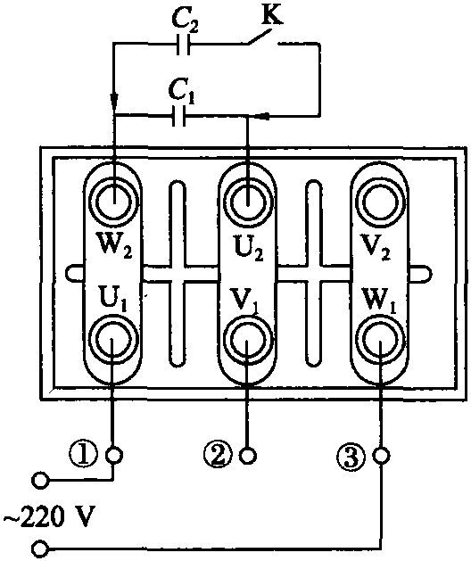
Y形连接如图10-1(a)所示,如果旋转方向不合适,则可以将电源连接③更改为①。

2.△连接方法

△连接方法如图10-1(b)所示,如果旋转方向不正确,可将电源接线①更改为②。

3.选择工作电容器C1

对于Y连接,电容器C1的电容通常为三相异步电动机功率P(W)的值的0.06,即C1=0.06P(μF),对于△连接,C1=0.1P(μF) )。为便于参考,将常用的低功率三相电动机更改为单相运行时,表1-2中显示了C1的容量。此时,电动机的实际功率通常为标称值的0.55至0.90。为了增加电动机的起动转矩,也可以在电容器C1上增加一个起动电容器C2,并且C2由开关K控制。当电动机速度达到额定速度的80%时,使用开关K断开连接。在实际应用中,K可以是电压继电器,电流继电器,离心开关或普通手动开关。

ioo23opz0br.png

(a)Y接线

4a2pvs50o0j.png

(b)△接线

图10-1单相运行中的三相异步电动机接线

表10-2将三相异步电动机更改为单相运行时,电容器C1的参考值

三相电动机功率(W)2546090120180250370550750电容C(μF)Y连接1.52.43.65.47.21115223345△连接2.546912.41825385575对于电容器,需要选择与容量系列最接近的电容器。